Садовая скамейка со спинкой своими руками: чертежи интересных задумок для реализации

Садовая скамейка со спинкой своими руками: чертежи, фото и секреты технологий. Рисование скамейки
Как нарисовать скамейку карандашом поэтапно?
Чтобы сделать рисунок скамейки, который показан чуть ниже, вам потребуется следующий инвентарь: простой карандаш, линейка, ластик и чистый листок бумаги.
Рисовать рисунок лучше этапами, так как это упрощает сам процесс, поэтому выделим вот такие этапы:
Первый этап. Рисуете прямоугольник большой это будет основная часть скамейки, на которой сидят люди.
Второй этап. Рисуйте боковые стороны на прямоугольнике.
Третий этап. Вам необходимо нарисовать две опоры, на которых стоит скамейка. Они имеют вид прямоугольника.
Четвертый этап. Рисуете две линии на прямоугольники, они будут показывать структуру основной части скамейки.

Нарисовать скамейку карандашом поэтапно можно вот таким образом:
Будем опираться на данное изображение скамейки:

1) Начинаем рисовать с общих набросков вот так:

2) На втором этапе занимаемся прорисовкой общего наброска нашей скамейки:

3) На третьем этапе вс детализируем так:

4) Наносим штриховку:

Я бы вам посоветовала взять фотография скамейки и нарисовать е. По-моему, вот эта вот скамейка великолепно подходит в качестве основы.

Итак, сначала нарисуйте одну боковую спинку скамьи, затем точно также нарисуйте вторую часть. Далее соедините их перекладинками.
Теперь можно убрать лишние линии и раскрасить скамью.
Чтоб нарисовать такую оригинальную скамейку. Сначала надо нарисовать поля, как на тетрадке. Далее по этим полям рисуем прямоугольные линии, пока что скамейка будет похожа на диванчик. Далее нужно уже проявить художественные способности, нарисуем подлокотники и ножки нашей скамейки. Чтоб скамейка выглядела нарядно можно добавить узоров. С каждым новым шагом рисунок будет похож на скамейку. Далее можно добавить цвета. Сиденье и спинку раскрасим коричневым карандашом, а ножки и подлокотники обведм черным карандашом. А под скамейкой можно слегка сделать тень.

Смотря какую скамейку Вы имеете ввиду.
Мне нравится карандашом перерисовывать, если перед глазами нет пейзажа.
Сначала делается набросок, то есть скелет-это и есть первый этап.
После чего прорисовываются детали.
Сначала самые крупные, потом мелкие.
И не забывайте про игру света.
Она тоже важна в рисунке.
Нарисовать скамейку карандашом можно очень просто и быстро. Обязательно пользоваться линейкой чтобы линии получились ровными. Рисовать будем в несколько шагов.
Для начала нарисуем линии как показано на рисунке:

Теперь обрисовываем саму скамейку следующим образом:

Более детально рисуем спинку, ножки, перила:

Добавляем на скамейку доски и узоры на перила:

Дорисовываем черным карандашом/фломастером гвоздики на досках и обводим железные перила:

По желанию разукрашиваем получившийся рисунок.

Скамейка своими руками чертежи фото, схемы, мастер-класс
Чтобы садовый участок был достаточно комфортным, его следует правильно обустроить. Важной составляющей являются садовые скамейки. Их можно изготовить самостоятельно разными способами и из различных материалов.
Посмотрев на чертежи скамейки, можно выяснить особенности ее устройства. Сделать такую конструкцию своими руками можно относительно легко, быстро и без высоких финансовых затрат.
Изготовление скамейки со спинкой своими руками в пошаговой инструкции описано очень подробно.
После подготовительных работ подходит время обработки древесины. Чтобы сделанная своими руками скамейка со спинкой служила долго и украшала участок, необходимо материалы предварительно обработать.
Дерево покрывают антисептическими составами и дают просохнуть. После этого можно приступать к сбору спинки.
На одной из двухметровых досок отмеряют от краев по пятьдесят сантиметров. На этом уровне будут располагаться края бетонных плит. От этой отметки отмеряют еще пятнадцать сантиметров к центру доски. Здесь будут крепиться первые доски. От получившихся отметок отмеряем семнадцать с половиной сантиметров – промежуток между досками спинки. Далее вымеряем по пятнадцать сантиметров для еще двух досок. Между ними должен остаться промежуток в пять сантиметров. Все это можно рассмотреть на чертеже.

На участки в пятнадцать сантиметров наносится клей для дерева. К ним прикладывают доски, длина которых шестьдесят пять сантиметров. Дополнительно их крепят саморезами.

Сверху между досками спинки вклеивают кусочки по семнадцать с половиной сантиметров. Чтобы детали хорошо склеились, их зажимают и выдерживают до схватывания клея. После завершения склеивания спинка покрывается антисептиком.

Все деревянные детали можно покрыть лаком. Это придаст им дополнительную устойчивость и привлекательность.
Сборка основной части

Собирать основную часть скамейки лучше с двух сторон. Между досками ставятся бетонные плиты, а в просверленные отверстия вставляют резьбовые штанги М16 длиной пятьдесят пять сантиметров. Их потребуется четыре штуки.

Крепление штанг выполняется гайками и шайбами М16. Закручивают их одновременно с разных сторон, чтобы скамейка получилась ровной.


Сделать скамейки для дачи своими руками можно достаточно быстро, если следовать инструкции. Рассмотрим четыре варианта таких садовых конструкций.
На чертежах скамейки подробно указаны все ее особенности. Сделать такую скамейку своими руками достаточно просто. Единственным сложным элементом является вогнутое сиденье.


Количество деталей и их размеры указаны в таблице.
Начинается изготовление скамейки своими руками из дерева с заготовки необходимых деталей. Доски и брус распиливают на части нужной длины.
Несколько сложнее будет изготовление опор для сидения. Потребуется на заготовках выполнить разметку. По краям отмечают две точки на расстоянии семь с половиной сантиметров от нижней стороны, а в центре точку на расстоянии в четыре с половиной сантиметра. Их соединяют с помощью гибкой пластиковой линейки и вырезают электролобзиком. Срезы обрабатывают наждачкой.


К двум верхним царгам прикрепляют опоры сидения. По одному с каждого края и одно посередине. Далее прикручивают опоры, отстоящие от крайних на ширину ножки. Все соединения выполняются саморезами.

К получившейся основе присоединяют доски сидения. Шляпки саморезов желательно углубить.

Затем прикрепляют ножки. Их присоединяют к опорам сидения. Зафиксировать ножки помогают нижние царги.


Готовое изделие покрывают антисептиком и лаком.
Чтобы изготовить такую садовую скамейку своими руками, потребуются бетонные цветочницы и доски. Цветочницы требуются для создания основания скамейки. Используют две с прямоугольным основанием и две кубические.

Чтобы основание было устойчивым, цветочницы надо склеить или соединить изнутри скобами, закрепленными саморезами. В емкости засыпается слой дренажа и грунт. Это повышает их устойчивость.
Сиденье для скамейки делают из досок. Для этого их разрезают на отрезки нужной длины. Эти заготовки укладывают так, чтобы ними было расстояние в полсантиметра. Затем их соединяют при помощи поперечных планок. Планки располагают в трех местах: по краям и в середине. К планкам крепят уголки. С их помощью сиденье будет закрепляться на цветочницах.



Заготавливают детали скамейки, указанные на рисунке. Их обрабатывают антисептиками перед соединением.

Затем из деталей собирают опоры. Предварительно скругляют углы и снимают фаски. Сначала болтом соединяют детали А и В, а потом В, С и D тоже с использованием болта.

Наклон спинки определяется деталью D, после чего она соединяется с деталью А. Аналогично, но в зеркальном отражении изготавливается другая опора.
После этого собираются спинка и сиденье. Для этого опоры ставят так, чтобы между ними было расстояние в метр двадцать сантиметров. К опорам сначала прикручивают переднюю и задние планки, потом все остальные, а в завершении привинчивают упоры.
На последнем этапе привинчивается спинка этой скамейки.
Скамейка №4Еще один вариант простой скамейки своими руками. Длина ее составляет сто двадцать сантиметров. Высота от земли до сиденья – пятьдесят сантиметров, высота спинки тоже пятьдесят сантиметров.

Основание изготавливается из досок, толщина которых пять сантиметров, а ширина от десяти до двенадцати. Одна из ножек продолжается и является опорой спинки. Соединяются опоры по способу в «полдерева» и крепятся болтами.

Основой для сиденья является брусок, закрепляемый на саморезы. Короткие опоры на задней стороне скамейки соединяют цангой, чтобы повысить устойчивость. Сиденье и спинку обшивают досками с меньшей толщиной. Поверхность окрашивают или покрывают лаком.

Размеры конструкции и деревянных деталей можно увидеть на чертежах скамейки. Если рассматривать, как сделать скамейку своими руками, то данный вариант окажется наиболее оптимальным по простоте процесса и получаемому результату.




Материалы лучше приобрести уже раскроенные по размерам. Если такого варианта нет, то надо распилить их самостоятельно.
Получившиеся заготовки шлифуют. Торцы досок обрабатывают электрорубанком.

Задние ножки этой простой скамейки своими руками одновременно являются и опорой для спинки. Чтобы создать нужный уровень наклона, заготовки размечают.
На высоте в сорок сантиметров отмечают место крепления сидения. Выше доску срезают под углом в двадцать градусов. Срезы на двух заготовках должны быть одинаковыми.
Сначала собирают ножки скамейки: передние соединяют с задними при помощи бруса. Лучше это сделать сверху и снизу.

Когда боковые части собраны их можно соединить между собой досками сиденья. Прикручивают доски саморезами, оставляя расстояния в один или два сантиметра.

Для усиления конструкции и увеличения ее устойчивости делают нижнюю обвязку брусом по ножкам. Для спинки крепят две доски.
Завершают работу финишным покрытием, которое защитит изделие от влаги и неблагоприятных условий.

Сделать скамейку своими руками из поддонов несложно, если подключить фантазию. Для этого понадобится три или четыре таких деревянных конструкции. Некоторые необходимо будет распилить, чтобы получить дополнительные детали. Самая простая конструкция скамейки своими руками из поддонов, когда два паллета крепятся перпендикулярно друг к другу, создавая спинку и сиденье.



Чтобы конструкция не получилась слишком громоздкой, лучше обрезать поддоны по нужным размерам. Скрепляют элементы саморезами. Добавляют боковые детали, усиливающие прочность и делают ножки. Все это можно увидеть на фото.






Поскольку материал поддонов необработанный, шероховатый, то потребуется его предварительно шлифовать. Это позволит обойтись без заноз.
Завершается изготовление скамейки своими руками из поддонов покрытием лаком или краской.


Сделать такую скамейку своими руками можно, если в наличии имеется широкая доска и черенки для лопат. Из доски вырезают фигурные сиденья в виде деталей пазла. К ним прикрепляют ножки из черенков для лопат. Получаются отдельные табуретки, которые быстро собираются в одну длинную скамейку. Все этапы изготовления подробно рассмотрены на пошаговых фото.



















Скамейки из ненужных стульев: два варианта своими руками

Для создания такой скамейки для дачи своими руками потребуется четыре старых стула.

C двух первых стульев снимают детали с передней стороны сиденья.

У оставшихся отпиливают передние ножки немного ниже конструкции сиденья.

С получившихся деталей надо снять старый лак или краску. Для этого на детали наносят специальное средство, растворяющее лакокрасочные покрытия. Потом размягченный слой можно удалять шпателем.

В стойках следует просверлить отверстия для дюбелей. Отверстия требуются на лицевой и торцевой сторонах.


Дюбеля смазывают клеем и вставляют в просверленные отверстия.

Когда дюбеля приклеятся, можно собирать основание скамейки. Чтобы конструкция получилась прочной, детали скрепляются саморезами. Поверхность конструкции зашкуривается.


Для сидения скамейки выбирают доску, подходящую по размерам, лишнее отпиливают.

Если используется несколько более узких досок, то они склеиваются столярным клеем. Для плотного соединения их зажимают струбцинами и ждут высыхания клея.

Готовое сиденье приклеивают к основанию также столярным клеем. На доску ставят тяжелые предметы и зажимают ее вместе с основанием струбцинами.

Когда клей высохнет, сиденье закрывают малярным скотчем и окрашивают остальные элементы конструкции краской для дерева.

Скотч снимают и сиденье обрабатывают морилкой. В завершение всю скамейку покрывают лаком.


Для изготовления второй садовой скамейки своими руками из старой мебели понадобится два стула. Лучше, если спинка и задние ножки у них не разделяются.

У двух одинаковых стульев убирают все части конструкции кроме задних ножек со спинкой.
Берут бруски шириной пять сантиметров и толщиной три. Отрезают две детали, равные по длине ширине стульев, и два отрезка такой длины, какой будет готовая скамейка. Из этих четырех частей собирают прямоугольник. Его закрепляют на спинки стульев саморезами.

Аналогично собирают еще одну рамку. На нее крепят несколько поперечных планок. Эта конструкция крепится под сиденьем, делает скамейку надежней и играет роль полки.

Если стулья имеют старое покрытие, то его снимают наждачной бумагой. После этого поверхность шпаклюют специальным составом или покрывают грунтовкой. Когда слой высохнет, его надо зашлифовать мелкозернистой наждачкой. В завершении конструкцию покрывают краской.

Сиденье для садовой скамейки своими руками делают из ДСП или фанеры. Из выбранного материала вырезается прямоугольник, который больше основания на полсантиметра с каждой стороны. Затем вырезают кусок поролона с такими же размерами. Из обивочной ткани выкраивают прямоугольник. Он по размерам должен быть больше сиденья на пять сантиметров с каждой из сторон.

На лист фанеры укладывают поролон, его сверху закрывают тканью. Ткань крепится с изнанки мебельным степлером.
Сиденье крепится к основанию рояльной петлей.

Чтобы сделать такую скамейку для дачи своими руками, следует подготовить необходимые материалы. Начинают изготовление с создания основы конструкции. Бруски сиденья крепят к брускам спинки под выбранным углом.



Вдоль сиденья устанавливают дополнительные ребра, обеспечивающие жесткость.


На сиденье крепят планки, высверлив в брусках основания отверстия для крепления. Также поступают и со спинкой.





С двух сторон от сиденья устанавливают подлокотники. Их можно закрепить болтами.


Получившуюся скамейку покрывают средствами для защиты древесины и лаком. Очень важно прокрашивать все максимально тщательно.

Низ скамейки укрепляют металлическим профилем. К профилю прикрепляют цепи, на которых скамейка-качели будет подвешиваться. Обязательно надо проверить надежность балок, на которые будет подвешена скамейка.






Для изготовления такой скамейки своими руками из дерева потребуется бензопила. В качестве основного материала берется толстое бревно длиной один метр.

Бревно размечают, чтобы получилось две немного неравные части. Из меньшей будет сделана спинка, а из большей – сиденье.

Бензопилой бревно распиливают вдоль по метке. Получившиеся неровности сразу срезаются все той же пилой.


Далее выпиливают треугольный кусок, чтобы получилось крепление ласточкин хвост. Углубления вырезают на спинке и сиденье. На фото показано, как они должны выглядеть.




Вырезанный треугольный кусок разрезают на части и вставляют в отверстия на сиденье. Сверху закрепляют спинку. Скамейка почти готова. Остается только придать ей более декоративный вид.



Можно сиденье поставить на ножки. Для этого в нижней части делают углубления для установки пары бревен в качестве ножек.


Особенности конструкции трансформера можно рассмотреть на чертежах скамейки. Изготавливается скамейка трансформер своими руками из струганной доски, которую распиливают по названным размерам.


В нарезанных брусовых деталях просверливаются отверстия для крепежей.


У столешницы доски, располагающиеся с краю, можно сделать волнистыми.
В материале, предназначенном для столешницы, высверливают отверстия диаметром двадцать два миллиметра и глубиной три сантиметра. В них будут вставляться черенки такого же диаметра.

Края деталей и кромки обрабатывают и закругляют.


Сборку всех элементов выполняют шурупами и винтами. Шурупы нужны с размерами 6х70 и 6х90, винты – 8х80.



Деревянные части окрашивают морилкой.

Детали конструкции, которые будут двигаться, соединяются шарнирами.

Между досками столешницы размещают части круглого черенка.

Устанавливают упор для спинки.

Изготовленую своими руками скамейку трансформер покрывают лаком.



Сделать оригинальную скамейку со спинкой своими руками не сложно, если есть инструменты и материалы. Сначала надо рассмотреть чертежи скамейки, которые содержат небольшое количество деталей.

Боковые части по лекалу переносятся на еврофанеру толщиной три сантиметра. Их выпиливают с помощью лобзика и обрабатывают шлифмашинкой торцы.

Чтобы крепить соединительные планки, делается разметка. Затем просверливаются отверстия. После сборки каркаса крепят рейки при помощи саморезов. Места крепления шпратлюют, а изделие целиком покрывают лаком.
Самый простой вариант такой скамейки – шестигранный. Размер зависит от величины дерева. Замеры производят на высоте расположения сиденья. К полученному результату прибавляют еще запас от пятнадцати до двадцати сантиметров. Если разделит результат на 1.75, то получится длина внутренней стороны.

Для нарезки доски шириной десять сантиметров укладывают в четыре ряда с промежутками в один сантиметр.

Место среза намечают сразу для всех рядов с углом в тридцать градусов. Так вырезают шесть комплектов заготовок.

Ножки используют высотой от шестидесяти до семидесяти сантиметров. Их соединяют поперечинами, просверлив отверстия и используя болты с гайками.

Сиденье устанавливают итак, чтобы стыки располагались по центру ребер ножек. Сначала прикручивают наружные детали, а затем внутренние. Таким способом собирают всю шестигранную конструкцию вокруг дерева.



В завершении делают спинку и монтируют фартук. Результатом становится круговая скамейка со спинкой своими руками.

Готовое изделие обрабатывают масляной пропиткой.


Главная » Мебель » Как сделать скамейку: оригинальные идеи (чертежи, фотоотчеты)
Скамейки и лавочки на даче и в саду — это в первую очередь место отдыха. Но просто поставить скамейку — не интересно. Ведь можно создать красивый уголок. Чтобы не просто отдыхать, а наслаждаться природой и плодами своего труда. Есть много интересных идей. Причем обыгрываются часто самые простые конструкции такие, что эти скамейки своими руками может сделать любой человек, у которого руки из плеч растут.
Как выглядят обычные лавки-скамейки знают все — видели, и не раз. Но обычную — самую простую — что-то не хочется. Особенно, если есть начали уже процесс украшения участка или пока только планируете. Почему бы не начать со скамейки? А там и другие украшения подтянутся. Стоит только начать.
В саду или возле дома хочется иметь больше зелени: цветов красивых и разных. Клумбы и цветники — это хорошо, но почему бы не объединить их со скамейкой.

Две клумбы их досок и между ними скамейка
Что может быть проще? Два деревянных ящика, в которых высажены цветы и между ними пару оструганных и отшлифованных досок. Эту лавочку можно возле стены поставить, а на стену набить пару длинных досок — будет спинка.
Не всем нравятся клумбы из дерева: древесина требует ухода, а без него быстро теряет внешний вид. Особенно тяжело ухаживать за деревом, которое соприкасается с почвой. Вместо деревянных ящиков могут быть, например каменные или бетонные тумбы.

Такую скамейку на даче своими руками сделать совсем просто. Можно найти готовые бетонные клумбы или сделать нечто подобное. Доску можно купить обработанную, а можно самим этим заняться. Вместо доски может быть половина бревна — смотря в каком стиле оформляется участок. Закрепить сиденье проще при помощи металлического уголка. К бетону он крепится при помощи дюбелей, к дереву — саморезами снизу или болтами насквозь.
Если у кого-то есть крупные растения в прочных вазонах, можно реализовать следующую идею. В этом варианте скамейка охватывает растения. Чтобы не было неожиданностей, вазоны должны быть очень прочными….

Вазоны в качестве ножек
Есть подобный вариант лавки из досок и без растений: может нужно на веранде или в беседке поставить. Опоры складываются из досок одного размера, а сиденье — из бруса.

Скамейка из досок — нестандартный вариант
И еще вариации на ту же тему: в качестве опоры использованы пустотелые строительные блоки. В отверстия вставляются обработанные бруски. Это и есть сиденье скамейки. Только грани бруса скруглите, или сидеть будет неудобно.

Скамейка из пустотелых блоков и бруса
Для этой садовой скамейки желательно найти блоки большого размера, с толстыми стенками. Если нет — нужно надежно скрепить блоки один с другим. Вся задача в том, чтобы закрепить сначала блоки (например шпильками), а потом к ним — бруски (болтами или нагелями).
Если вашу участок оформляется в стиле рустик или этно, стандартный подход вам не подойдет. Лучше всего использовать в этом случае бревна — с корой или без — это уже ваш выбор.
Сиденье для скамейки из бревен — распиленный вдоль ствол большого или среднего диаметра. Спинка — или меньший по диаметру ствол, или просто срез ближе к краю. Ножки можно сделать тоже из нешироких кусков бревна (смотрите на фото ниже).

Скамейка из бревна — быстро и просто
Ножки и сиденья между собой соединяются металлическими штифтами: под штифт в обоих деталях сверлятся отверстие чуть меньшего диаметра. Штифт забивается в одно из них, вторая часть насаживается и тоже забивается, но уже бьют не по штифту, а по древесине. Чтобы не оставалось следов, укладывают кусок ненужной доски и по нему стучат молотком (или кувалдой). Такое соединения должно быть вполне надежным, но для уверенности можно установить два или три штифта, а можно — стесать немного бревна, сделав ровную площадку на одинакового размера на обоих соединяемых деталях. Увеличив площадь опоры, повысите надужность крепления сиденья: все таки бревно весит немало.

Вариант скамейки без спинки
Еще один интересный вариант в стиле «этно» представлен на фото выше. Он реализован в камне, но сделать эту скамейку можно и из бревна. Сиденье — очень толстая доска, ножки — большая часть колоды большого диаметра. В колоде вырубается паз под укладку сиденья. При наличии инструмента (топором, болгаркой или бензопилой можно вырез сделать) сделать просто.
Часто на даче необходим рабочий стол. Из бревна можно сделать не только скамейку, но и стол. Вариант такого ансамбля — на фото. Только столешница сделана из досок, все остальные детали — бревна разных диаметров или из половинки.

Стол со скамейками из бревен
Большая степень обработки присуща следующей скамейке в том же стиле. Спинка, ножки, подлокотники сделана из толстых и не очень веток, сиденье — из ошкуренной и обработанной (очищенной от коры и отшлифованной) необрезной доски.

Вариант скамейки из древесины для сада или на дачу
Почти также сделана другая скамья. Только расположены доски и ветки в другом направлении и получается уже другой вид. Скамейка своими руками такого типа не требует большого мастерства. В данном случае, чем небрежнее получается работа, тем декоративнее результат.

Плетеная спинка — встретишь нечасто
Вокруг дерева можно сделать площадку для отдыха и скамейку. Конструкции несложные, сделать настил так вообще просто.

Место для отдыха под деревом
Дополнить группу отдыха можно качелями и беседкой. А над скамейкой можно поставить перголу — это «прародительница» обычной арки — один из видов легкой беседки. А чтобы релаксация была уж совсем полной, можно сделать пруд, фонтан или водопад.
Мало кто будет у себя на даче ставить полностью металлические скамейки. Они, конечно, могут быть очень красивыми, но летом разогреваются до неимоверных температур, а чуть похолодает — на них не сесть, так как слишком холодные. Этих недостатков лишены скамейки из металла и дерева. Ножки и несущую конструкцию делают из металла, а сиденье и спинку (если есть) — из дерева. Причем тоже есть интересные лавочки в современном дизайне.

Скамейка из профильной трубы
Из профиля сварены прямоугольники, к боковым стенкам приварены перемычки, на которые опираются доски сиденья. Просто, стильно, надежно, функционально.
В более усовершенствованном виде — с подлокотниками, спинкой, мягкими подушками на сиденье такая конструкция может выглядеть так, как на фото. Широкое сиденье превращает лавочку в диван, а комфорта добавляют подушки — обтянутый тканью мебельный поролон. В том же стиле сделаны и столики — рама из профтрубы и столешница из досок.
Один важный момент: если делаете сиденье или столешницу из нескольких прилегающих элементов, их не нужно стыковать впритык. Между соседними досками/брусками должен оставаться зазор в 3-4 мм. Древесина то разбухает, то усыхает. Чтобы при этих процессах поверхность оставалась относительно ровной, необходим зазор.

Стильные лавки из металла и дерева
Если необходимы более плавные линии — для семей с детьми — можно трубы согнуть и сделать садовые скамейки и стол со скругленными гранями. Эта садовая мебель совершенно безопасна. Обычную круглую или профтрубу изгибают, оставляя по бокам в форме буквы «П» с широкой спинкой. Длина этой спинки и есть длина лавочки. Для стола габариты делают чуть больше: ножки и и спинка длиннее.

Стол и скамейка из трубы и досок
Делают по две одинаковые заготовки на стол и скамейку. Далее нарезают доски одинаковой длинны. Для сиденья около 40 см, для столешницы не менее 55 см. Крепят к трубам мебельными болтами с плоской шляпкой. Чтобы шляпки не торчали, под них засверливают отверстие чуть большего диаметра.
Об основах планирования участка читайте тут, а чем его можно украсить — в этой статье.
Самая многочисленная группа — лавки и скамейки из досок. Есть конструкции, больше напоминающие диваны, особенно если на них уложить мягкие подушки — и полежать можно.

Эта садовая скамейка больше напоминает диван: при достаточных размерах и полежать можно
Садовую мебель в современном стиле собирать просто: прямоугольники с перегородками из более тонких досок, соединенные между собой.
Даже обычная конструкция дачной лавочки может стать эксклюзивной, если подойти к ней с фантазией: вместо ножек и подлокотников использованы деревянные колеса. Получилась дизайнерская вещь.

Лавка из досок со спинкой и колесами вместо боковушек — интересно смотрится
И самая простая из возможных — доска на ножках в виде буквы «Х». Такие лавки строили столетия назад, можно их увидеть и сегодня.

Традиционна конструкция лавки
Из досок можно сделать скамейку в современном стиле: в виде буквы «П». При такой конструкции главная задача — обеспечить жесткую фиксацию ножек и сиденья: распирающие силы ничем не компенсируются. В данном случае важно брать толстую доску или брус, чтобы она не прогибалась. Можно ставить доску «на ребро»: так жесткость будет больше. Для повышения надежности можно установить снизу уголки.

Простая конструкция, а смотрится современно
На фото вариант с запилом под 45°. Имея стусло или циркулярную пилу точного реза добиться несложно. Точно состыковав заготовки и скрепив их получим угол 90°. Если сиденье не буде прогибаться, служить будет долго…
Интересный и надежный вариант скамейки представлен на фото ниже. Ножки собираются из из досок разной длины: каждая вторая короче на ширину доски для сиденья. Интересная идея. Сделать такую скамейку легко: важно выдержать размеры, а соединяется все очень просто: гвоздями в пласть сиденья.

Скамейка в современном стиле
Возможно, вам будет интересно прочесть, как оформить и сделать садовые дорожки.
Вот, кажется, что еще можно придумать.. а оказывается, многое. Например, прикрепить сиденье к большому камню.

Скамейка из камня и досок
Сделать конструкцию из стволов бамбука.

Из бамбука, причем целого

Сидеть зимой будет неприятно, но красиво…
О том, какие бывают качели (для взрослых и детей) и как их построить читайте тут. А в этой статье можно прочесть о строительстве детской площадки, про песочницы написано отдельно — здесь.
Из камня делать лавки не будем — оборудование есть не у всех, а из разных деревяшек — можем. Расскажем об изготовлении несложных, но необычных конструкций. Чтобы сделанная своими руками скамейка была предметом гордости.
Конструкция простая, но смотрится интересно за счет специфического материала. Для ножек использован брус со скругленными краями. Если есть у вас бревна маленького размера, можно обтесать их по бокам. Получится практически тот же эффект. ТАкой материал не является такой уж редкостью, необычно собраны из него ножки: бруски уложены один на другой плашмя. Это и придает изюминку и добавляет привлекательности.

Простая лавка смотрится интересно за счет материала
Эта скамейка без спинки имеет длину — около 120 см, ширину — около 45 см, высоту — 38 см. Скруглить грани бруса можно при помощи фрезы, а можно найти подобный профилированный. Он стоит дороже, но работать с ним будет проще: он уже хорошо обработан и соединяется просто.
В зависимости от найденного сечения бруса рассчитаете длину, которая вам потребуется. Определите, сколько брусков придется сложить один на другой, чтобы получилась нужна высота. В данном случае на одну ножку ушло 5 брусков. Итого 45 см * 5 шт — 2,25 м. На две ножки понадобилось 4,5 м бруса. На сиденье использовалась доска 40 мм толщиной и шириной 90 мм. Для сиденья нужны 5 досок длиной 1,5 метра. Получилось 1,2 м * 5 шт = 6 м.
Сначала нарезаем и обрабатываем доски для сиденья. Их грани необходимо закруглить. Если нет шлифовальной машинки или фрезера, придется работать наждачной бумагой, а можно найти такую доску или договорится на лесопилке, чтобы вам ее обработали, а еще отшлифовали: намного меньше работы будет. Итак, нарезаем одинаковой длины доски, шлифуем и покрываем лаком (с тонировкой или без — ваш выбор).

Бруски для ножек сложите один возле одного, выровняв их края. При помощи угольника и карандаша нанесите линии, где будет размещаться крепеж. Расстояние между линиями — 7-10 см.

Линии, на которых будут установлены штифты
Штифты можно взять металлические, а можно сделать нагели — вырезанные из дерева. Под них сверлятся отверстия чуть меньше диаметра, глубина отверстия — половина длины штифта. Потом они забиваются в одну деталь, сверху в такое же отверстие насаживается вторая деталь. Соединение надежное, но для уверенности можно добавить клея, хотя тогда конструкция получится неразъемной.
При штифтовом соединении основная задача сделать отверстия строго одно над другим, чтобы насаженные на штифт детали давали ровный край. Часть работы сделали — начертили линии, где будем сверлить, теперь необходимо отмерить одинаковое расстояние от края. Для этого сделаем шаблон. Берем отрезок планки шириной около 1,5 см. На таком расстоянии от края брусков будем сверлить отверстия. Приложив его ровно по краю отмечаем места пересечения с нанесенными перпендикулярными линиями.

Отверстия в брусках делаем в шахматном порядке
Штифты будем устанавливать в шахматном порядке, потому сверлить отверстия будем через одно пересечение. Также отверстия на одном бруске с разных сторон делаем в шахматном порядке. Подобным образом — на штифтах — делается соединение ножек с сиденьем: по два штифта на каждую планку.
Технологически такой тип соединения правильный, но он сложный и требует определенного мастерства. Можно поступить проще. Сложить все бруски один на другой, закрепить струбцинами, просверлить насквозь в двух-трех сетах — по центру и по краям, соединить длинной шпилькой, с подложенными под шляпку и гайку шайбами. К собранным таким способом ножкам планки сиденья можно прибить гвоздями сверху или попытаться сделать штифтовое соединение.

Скамейка своими руками сделана. Остались отделочные работы
Если прибивали сиденье гвоздями, возьмите немного мастики для дерева подходящего цвета, добавьте немного очень мелких опилок и размешайте. Этим составом замажьте места соединений. Когда высохнет, сровняйте шкуркой. Отшлифуйте все детали до гладкого состояния и покройте лаком или красками по древу для наружных работ (лучше не укрывными, а которые оставляют видимой текстуру древесины).
Как и чем можно покрасить древесину читайте в этой статье. В ней идет речь про вагонку, но приемы покраски остаются теми же, а составы надо брать для наружного применения.
В любом хозяйстве можно найти два старых стула. Должны они быть одинаковыми и еще достаточно прочными. Разбираем стулья, оставляя часть со спинкой и ножками. Соединяем две спинки при помощи брусков подходящего сечения.

Скамейка из старых стульев
Для большей жесткости внизу, на расстоянии порядка 20 см от пола, там, где раньше у стульев тоже были перемычки, делаем еще одну раму с поперечными перекладинами. Ее можно будет использовать как подставку для ног или для хранения каких-либо вещей.

Красим сделанную конструкцию
После шлифовки красим полученную конструкцию. В этот раз краска должна быть обычной: разные породы древесины закрасить можно только укрывными красками. Наносить кисточкой или из баллончика.
Дело за малым: вырезать по размерам сиденье из толстой фанеры (толщина 8-10 мм) и обтянуть его поролоном и тканью.

Готовая скамейка из струльев
В хозяйстве пригодится все. Даже из грузовых паллет можно сделать садовую мебель. Причем разбирать их нет необходимости: одну используем для сиденья, из второй сделаем спинку. Понадобятся только хорошо обработанные дощечки для подлокотников и бруски для ножек.

Вот что должно получится
В одной из паллет усиливаем места крепления, вставив куски брусков. Вставив, из прикручиваем саморезами с одной и с другой стороны.

Усиливаем углы паллеты
Из бруса сечением не менее 100*100 мм нарезаем четыре одинаковых отрезка длиной 80 см. Прикручиваем их в тех местах, которые только что усилили. На ножки оставляем 20-25 см. Крепим четырьмя длинными самотезами — 150 мм и не короче.

Прикручиваем ножки-опоры для подлокотников
Важно соблюдать вертикальность и оставить одинаковое расстояние на ножки. Тогда сиденье будет стоять ровно. Если есть погрешности по высоте, можно попытаться подпилить, но тогда пилить придется и сверху — чтобы подлокотники были ровными. Так что постарайтесь прикрутить ровно. С отклонениями от вертикали бороться можно только прикрутив ножку заново.

К задним стойкам крепим вторую паллету, а по бокам — дощечки для подлокотников.

Осталось вырезать из мебельного поролона кусок и обтянуть его тканью. Можно сделать подушки и для спинки. Если не собираетесь обрабатывать все досконально, а сделать кресло в стиле лофт, пройдитесь наждачной бумагой или шлифмашинкой, обработав все поверхности до гладкости. Покрыть можно краской, придающий древесине темный цвет.

Готовый продукт: кресло из паллет
Скамейка со спинкой: чертеж с размерами

Лавка из досок: размеры и чертеж

Скамья без спинки из бруса: чертеж и размеры
Несколько видео о том, как делать скамейки своими руками.
Садовая скамейка со спинкой своими руками: чертежи и фото
Как хорошо отдохнуть на природе вдали от городского шума! Посмотреть на закат дня или просто передохнуть после трудовых будний. Чтобы полностью расслабиться, вам поможет сделанная своими руками садовая скамейка со спинкой. Чертежи столь простой детали ландшафтного дизайна очень различны. Рассмотрим интересные, простые и сложные варианты творчества разных умельцев.

Чертежей садовых скамеек со спинкой своими руками очень много, это обусловлено большим количеством видов и материалов изготовления данного предмета быта. Лавочка есть в каждом саду и возле каждого дома, ведь так хорошо просто посидеть, отдохнуть и посмотреть на красоты природы, особенно в летнее время, когда на улице тепло.

Среди всего многообразия можно выделить несколько основных разновидностей:
- стационарные: выполнены из камня, дерева или металла и имеют фундаментную основу;
- складные: покупные варианты, чаще всего из дерева или пластмассы.

Своими руками скамейку со спинкой можно сделать из камня, дерева или металла, а также некоторые «самоделкины» используют различные подручные элементы, например, шины или пластмассовые бутылки.
Среди основных элементов любой скамейки выделяют:
- опору;
- сидение;
- спинку;
- подлокотники;
- крепления.

Опору закрепляют небольшие ямы с заливкой смеси из цемента и песка, чтобы даже под сильными нагрузками лавочка не опрокинулась.
Скамейки для дачи из металла и дерева: фото интересных примеров
Сделать скамейку для дачи своими руками не так сложно, как кажется на первый взгляд. Главное – правильно выбрать чертеж или проявить фантазию.

Скамейки из металла подразумевают металлические опоры, а виденье и спинку чаще делают из древесины. Это обусловлено способностью металлических предметов быстро нагреваться и остывать. Поэтому на такое сиденье в зной или прохладным вечером сесть уже будет проблематично. Вот несколько интересных примеров:
Немало интересных деревянных творений, где и опора, и сиденья с подлокотниками сделаны из натурального природного материала. Такие изделия обязательно покрывать лаком или краской, чтобы не было гниения из-за попадания влаги. Примеров собственноручных творений немало:
Выполняя изделие по чертежам можно выбрать как классические варианты с подлокотниками и без, так и найти творения мастеров, которые поделились своими задумками.
Не стоит забывать и про природный материал – камень. Чтобы сидеть на таком предмете мебели было не холодно, можно дополнить внешний облик аккуратными подушками или сделать элемент из дерева.

Для создания лавочки из камня своими руками потребуется цементный раствор, чтобы скреплять между собой детали, тогда как в предыдущих вариантах использовались гвозди или шурупы. Вот интересные творения мастеров и простых садоводов:
Фото садовых скамеек своими руками из подручных материалов
Многие любители работать на дачах или выращивать сады делают различные украшения из всевозможных подручных материалов. Так, на участках появляются лебеди из шин, декоративные кустики из пластиковых бутылок и интересные скамейки.
Чертежи садовых скамеек своими руками могут быть различными: от классических конструкций до интересных и необычных решений:




Идеи создания садовых лавочек и скамеек своими руками
Выбирая подходящий вариант для создания лавочки и скамейки для своего дачного участка, стоит задуматься над несколькими вопросами:

- какие габариты изделия хорошо впишутся в отведенное место;
- на сколько человек должна быть рассчитана скамейка;
- какой материал подойдет к общему колориту участка;
- насколько удобно будет сидеть на лавочке;
- какая высота будет оптимальной.

Перед выбором чертежа продумайте все досконально, а также оцените собственные таланты. Например, любителю вырезать фигурки из дерева легче работать с этим материалом, чем с металлом или пластиком.

Чтобы создать деревянную скамейку со спинкой своими руками, надо заранее подготовить инструмент для работы. И выбрать сам материал. Нередко применяют бревна или доски, а иногда умельцы плетут лавочки из веток.
Деревянная скамейка с ящиком для хранения инструментов или других вещей
Поговорим немного подробней о сборке своими руками садовой скамейки со спинкой из дерева, дополненной удобным ящичком для садовых принадлежностей или инструментов. Выглядеть готовый вариант может следующим образом:
Собираясь делать деревянную скамейку с ящичком самостоятельно, обратите внимание на простые и распространенные чертежи:




Варианты садовой скамейки из дерева своими руками: какие инструменты пригодятся
Чтобы сотворить самую простую скамейку из дерева своими руками заранее стоит приготовить определенный инструмент:

- рубанок;
- пила;
- отвертка и стамеска;
- дрель;
- лобзик;
- шуруповерт;
- лак и кисти для покраски.
А также выбрать материал, который лучшим образом подойдет для вашего творения:

- дуб – самый практичный вариант, отличающийся высокой стойкостью к воздействиям окружающей среды;
- орешник – нежные оттенки, покрытые прозрачным лаком, выдержат даже морозы;
- вишня – красноватый цвет придаст особенность вашей скамейке;
- хвоя – не лучший вариант для уличной мебели, так как будут в жару выделяться смолы.

Если с размерами своей садовой скамейки вам также сложно определиться, придерживайтесь стандартов:
- Высота от 40 до 50 см.
- Ширина сиденья от 50 до 55 см.
- Спинка от 35 до 50 см.
И тогда в результате у вас получатся вот такие красивые и аккуратные варианты:
Садовая скамейка из бревен – простой и популярный вариант. Как и для других моделей и разновидностей скамьи нужно вначале определиться с местом, где вы установите мебель в саду, чтобы правильно рассчитать размеры.

Среди распространенных вариантов месторасположения выделяют следующие:
- Передвижные конструкции не требуют выбора места. Но при этом, если вы поставите лавочку неровно, высока вероятность упасть.

- Обеденные скамьи монтируют рядом со столом. Обычно это на открытой или закрытой терраске или под навесом из зеленых лиан.

- Парадные. Красивые и изящные модели ставят перед входом в дом или по главной аллее садового участка.

- Сезонные. Собирают на лето, а на зиму прячут в кладовку. Имеют простые конструкции, которые легко демонтировать.

- Водные. Монтируют рядом с водоемом и обязательно используют материал, устойчивый к влаге. Если это деревянные модели, их покрывают защитным слоем.

- Релаксационные – для отдыха. Такие удобные лавочки со спинкой ставят в тени деревьев или в полутени от вьющихся растений.

Интересно, что деревянные скамьи можно задекорировать под животных или окрасить в невероятно яркие цвета. Вот несколько интересных примеров расположения и моделей скамеек из бревен:
Интересные садовые скамейки со спинкой своими руками в стиле Этно
Аккуратная лавочка в тенистом саду – прекрасная зона для отдыха, выполняющая функции настоящего завершения композиции ландшафтного дизайна. Часто руками мастеров лавочки украшаются в стиле Этно или Прованс, сочетая легкие элементы с цветами и природными рисунками территории.

Например, скамейка в стиле рустик или другом этническом варианта станет прекрасным дополнением для многих дизайнерских идей. Нередко оформляют лавочки под Канти или Классику. Любой вариант становится лучшим украшением участка. Вот несколько интересных фото-примеров:
Чертежи скамеек для дачи своими руками: фото-примеры
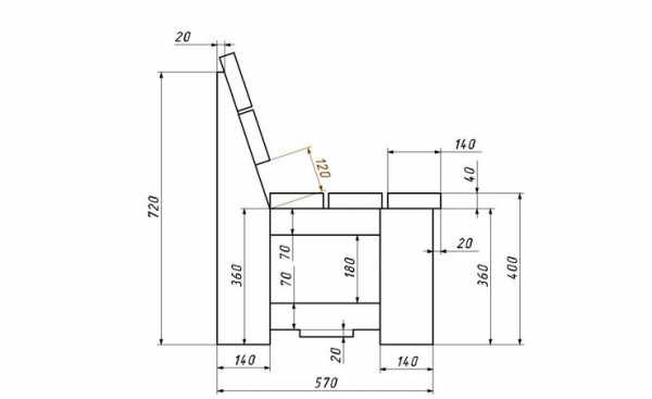
Чтобы сделать скамейку со спинкой из дерева своими руками надо не только выбрать месторасположения, подготовить инструменты и материал изготовления, но и правильно нарисовать чертеж. В нем должны быть учтены все размеры: высота опор, спинки, ширина перил, сиденья. А также стоит учитывать ширину исходных досок или бревен.

Когда будет готов чертеж и продумана последовательность сборки, можно переходить к самой работе по созданию удобной и прочной садовой лавочки со спинкой.
Садовая скамейка со спинкой своими руками: чертежи двухместных вариантов
Чертеж деревянной скамейки со спинкой классического типа будет включать:
- высоту брусьев для опоры;
- количество и ширину досок;
- параметры досок для ручек;
- краткую схему сборки.

Нарисовать самостоятельно несложно, так как в лавках используются преимущественно прямые линии, а также не надо рассчитывать нагрузку на фундамент, как при составлении плана возведения дома. Или можно найти в глобальной сети готовый вариант и немного изменить размеры для создания двухместной скамейки в своем саду:




Скамейка для дачи из дерева своими руками: пошаговая инструкция сборки
Когда готов чертеж, материал куплен и все приспособления для работы под рукой, можно переходить к самому ответственному процессу – сборке готовой лавочки. Так как вариантов очень много, рассмотрим подробно самый простой способ создания деревянной мебели для сада.

Инструкция с фото-примерами для самостоятельной сборки деревянной конструкции:
Чтобы было проще разобраться во всех нюансах, посмотрите видеоматериал по теме:
Садовая скамейка своими руками из подручных материалов: создаем удобство из поддонов
Сделать своими руками скамейку из поддонов по фото несложно. Достаточно правильно соединить элементы и выбрать только целые подручные материалы. В итоге получаются очень красивые варианты:
Сам процесс работы сводится к выполнению всего нескольких пунктов:
Чтобы было проще сориентироваться, посмотрите видеоматериал:
Чертежи садовой скамейки со спинкой из дерева своими руками: складные конструкции
Когда на садовом участке у вас совсем немного места, можно сделать деревянные скамейки трансформеры, которые легко убрать и поставить, а также можно совместить с обеденным столом, раскладывая в своем саду передвижную конструкцию.

Обычно конструкция состоит из двух лавочек и стола. Одна лавка шире 118 на 25 см и делается из доски в 20 мм. Ширина второй скамейки – 114 см. Могут быть и другие варианты. Вот несколько интересных чертежей:




Технология изготовления скамейки-трансформера своими руками
Технология изготовления начинается с выбора чертежи, а также подготовки материалов и инструментов для работы. Возьмем струганную доску 35 на 120 на 6000 мм за основу изделия. В конструкцию будут входить две лавочки и стол. Подойдет классическая схема:

Помимо доски, готовим материал для столешницы (ширина 12 см) и рейки по 5 см. Ход работы будет протекать следующим образом:
Посмотрите подробную видео-инструкцию по монтажу скамейки-трансформера для дачи:
На качелях с удовольствием проводят время не только дети, но и взрослые. Попробуем в статье разобраться, какие детские уличные качели для дачи будут лучшим выбором и как изготовить их своими руками с минимальными усилиями?
Садовая скамейка своими руками: фото удачных самоделок
В заключение, сделаем несколько выводов:

- самостоятельно собрать лавочку со спинкой для дачи несложно, главное, правильно выбрать чертеж и материалы;
- в зависимости от целей использования есть разные типы лавок со спинками;
- популярны варианты из дерева, которое обязательно покрывать лаком;
- заранее продумайте место установки садовой мебели на участке, так как от этого зависят размеры.
Вот несколько удачных самодельных вариантов из различных материалов, которые можно взять за основу своего творчества:
Понравилась статья? Сохраните, чтобы не потерять!
Садовая скамейка со спинкой своими руками: чертежи, фото-примеры
Чтобы сделать свой приусадебный участок комфортным для пользования и красивым, вам нужно использовать такие элементы ландшафтного дизайна, как цветники, дорожки, беседки и навесы. Особенно важна садовая мебель. Именно она является гарантией вашего удобства. В нашем обзоре мы выясним, как конструируется садовая скамейка со спинкой своими руками. Чертежи и подробные фото позволят сделать самую лучшую конструкцию.

Удобная садовая мебель является замечательным дополнением к садовому ансамблю
Особенности садовых скамеек: фото разных видов и конструкций
Прежде чем сделать скамейку для дачи своими руками, давайте разберемся, какие разновидности данной конструкции существуют. Классификация может производиться с учетом таких факторов, как материал, функциональность и характеристики.
Скамейки могут быть только предметом мебели, предназначенного для сидения, или иметь многофункциональное назначение. Например, использоваться в качестве качалки или столика. Пользуются популярностью и оригинальные лавочки – качели. Востребованы конструкции со спинками, которые являются стационарными. Их выполняют из кирпича или бетона. Также есть лавочки складного типа.
Для изготовления изделий чаще всего применяются такие материалы:
- пластиковые варианты имеют небольшой вес, а также наделены стойкостью к всевозможным климатическим переменам;

- древесина великолепное решение для любого дачного участка. Это традиционный вариант, который имеет множество преимуществ;

Необычная конструкция из древесины
- металл может применяться в двух конфигурациях, из профильных магистралей или как кованная конструкция;

- к самому долговечному материалу относится камень. Для лавочки можно взять два валуна, а также применить покупной материал.

Удобная композиция из камня
Можно сделать изделие даже из бетона. Существуют и комбинированные варианты садовых скамеек со спинкой своими руками. Чертежи помогут соорудить конструкцию из любого материала. Вы можете комбинировать каркас из металла с планками из древесины. Также можно сочетать камень и дерево.
Лавочки могут иметь различную конструкцию:
- простой вариант – лавочка без спинки;
- можно соорудить и скамейку со спинкой своими руками;
- скамейка со столом подходит как вариант для сада;
- лавочка с навесом используется, как миниатюрная беседка.
При создании конструкций в художественном стиле особое внимание уделяется внешнему виду. Вместо боковых частей могут использоваться всевозможные фигуры.

Роскошный вариант из элементов ковки и древесины
При создании чертежей важно учитывать общий вид изделия, а также все размеры конструкции. Мебель из дерева, кованой стали или камня замечательно впишется в сад, созданный в классическом стиле. А пластиковые изделия подойдут для ландшафтного дизайна в современном стиле. Имеет значение, где разместить скамейку. Вы можете поставить ее возле крыльца, а также расположить в глубине сада под красивым деревом.

Чертеж простой садовой лавочки
К сведению! Лавочка из древесины можно с комфортом использовать в любое время года, так как уровень теплопроводности ниже, чем у камня и металла.
Оригинальные скамейки для дачи из металла и дерева
Можете попробовать сделать металлическую или деревянную скамейку со спинкой своими руками. Изделия из металла известны особой прочностью. При этом они не требуют постоянного внимания. Их можно покрывать специальным антикоррозийным составом всего лишь раз в год. Современные конструкции с применением кованых элементов выполняются с помощью сварочного аппарата.

Комбинированная садовая композиция
Из древесины получаются лавочки с красивым дизайном. Такие изделия подойдут практически для любого ландшафтного оформления. Чтобы защитить подобные конструкции можно применить специальные лакирующие составы.

Из дерева можно соорудить самые замысловатые формы
Это позволит защитить деревянную поверхность от развития плесени, грибков, а также от солнечных лучей. Редко, кто применяет полностью металлические изделия, так как они сильно остывают в холодное время года и нагреваются в жару. Чаще всего из данного материала выполняются несущие элементы и ножки, а спинка и сидение выполняется из древесины.

Красивый вариант для традиционного сада
Из профильной трубы делаются прямоугольники, а затем к боковым стенкам привариваются перемычки для опоры. Вы можете соорудить и более функциональную конструкцию с подлокотниками, мягкими подушками и спинкой.

Чертеж для изделия из профильной трубы
Чтобы создать более плавные линии можно согнуть трубы. При этом получится мебель с округленными гранями. Пользуются популярностью лавочки из досок. Конструкцию можно выполнить в форме дивана, а сверху положить подушки.
Также можно соорудить простую скамейку своими руками из дерева. При этом ножки могут быть в форме буквы Х. Из досок можно выполнить скамью в виде буквы П. В этом случае необходимо обеспечить жесткую фиксацию сидушки и ножек.
К сведению! Использование специальных покрывающих составов позволит на долгое время сохранить природный рисунок таких материалов.
Садовую скамейку со спинкой своими руками можно сделать из камня. Этот материал отличается высокими эксплуатационными свойствами, а также значительной прочностью. Каменные конструкции могут использоваться для любого стиля и дизайна сада. Использование элементов из камня дополнить общее оформление. Неплохо такая мебель смотрится на фоне постройки, имеющей отдельные детали из камня. Лавка из камня составит замечательную комбинацию с каменными клумбами, ступеньками, водоемами и дорожками. Подобные скамейки часто комбинируются с древесиной.

Сооружение из природных элементов
К сведению! Часто для строительства таких лавочек применяется мрамор. Иногда применяется кварцит и даже крупнозернистый гранит.
Фото садовых скамеек своими руками: как сделать из подручных материалов
Определенными преимуществами наделены и пластиковые изделия. Вот они:
- небольшой вес конструкции, что обеспечивает ее легкость;
- доступная цена;
- большое разнообразие цветов;
- практичность.

Конструкция из коряг
Можно использовать всевозможные комбинированные сочетания, которые будут отличаться или сочетаться по текстуре, цветовой палитре и материалам. Неплохое решение сочетание каменных и деревянных деталей.

Попробуйте сделать оригинальные комбинированные конструкции. Это может быть лавочка-песочница для детей, а также скамейка клумба.
К сведению! Необычные конструкции можно сделать из старых предметов мебели. Например, из старых стульев.
Как сделать садовые лавочки и скамейки своими руками: популярные технологии и идеи
Чтобы сделать скамейку со спинкой из дерева своими руками сначала нужно разобраться в ее конструкции. Простое устройство подразумевает сидячее место на каких – либо опорах. Но есть также изделия, имеющие нестандартную конфигурацию, конструкции с кованными или резными деталями, а также мебель с подлокотниками.

Полноценная конструкция с подлокотниками
Простое решение использовать два ящика и пару досок. При этом ящики будут устанавливаться в качестве опорных элементов. Их можно будет заполнить почвой и сделать в них красивую клумбу. Из досок монтируется сидушка, которая устанавливается между ящиков. Обязательно выполните шлифовку поверхности при помощи наждачной бумаги. Для более практичной конструкции, ящики можете заменить на каменные или бетонные тумбы. Сидения можно соорудить из половинок бревен или из обработанных досок. Крепить сидение нужно при помощи металлических уголков. Чтобы прикрепить их к бетонным основам применяются дюбеля. А фиксацию к дереву можно произвести при помощи саморезов и сквозных болтов.

Чертеж простой конструкции со спинкой
Полезная информация! В качестве опор можно использовать вазоны с декоративными кустами и карликовыми деревьями.
Можно соорудить удобную конструкцию с ящиками для хранения. При этом стоит использовать старую мебель. Перед работой нужно подобрать правильные саморезы. Их толщина должна соответствовать толщине деревянных элементов.

Скамейка с ящиком замечательное решение для лоджии и балкона. При этом можно использовать старый балкон. Конструкция с ящиком состоит из двух стенок, сидушки и боковин. Также рекомендуется сделать дно короба. В качестве крепежных элементов нужно использовать уголки из металла. Конструкцию можно покрыть лаком. А для того, чтобы было комфортно сидеть, дополнительно расположить мягкие подушки.
Особенности садовой скамейки из дерева своими руками
Несложно сделать скамейку из дерева с подлокотниками. Для этого понадобятся специальные брусья для опор, доски для спинки и сидения, клей, пила, шканты, фрезерный станок. Сначала делается чертеж деревянной скамейки со спинкой. Затем по схемам выполняется вырезание шаблонов. На всех заготовках ставятся контуры, а зачем части вырезаются пилой. Срезы обязательно шлифуются. В планках для спинки проделываются отверстия. Сначала их нужно заполнить клеем, а затем вставить шканты в несущий брус. Планки фиксируются при помощи дюбелей. Затем скамейка покрывается специальным лаковым составом.
Секреты конструирования дачной скамейки своими руками из бревна
Практичное решение — садовая скамейка из бревен. Для сидения ствол дерева распиливается на две части. Спинку можно соорудить из ствола, имеющего меньшую толщину, чем элемент для сидения. Ножки можно соорудить из остатков бревна. Соединения производятся при помощи металлических штифтов. Вот как это делается:
- в деталях проделываются отверстия под штифты;
- штифт забивается на середину длины;
- сверху свободного края располагается вторая деталь и также забивается.

Прочный ансамбль из бревен
Крепеж устанавливается при помощи молотка. Штифты предполагают прочное соединение для усиления фиксации. Поверхность конструкции нужно зашлифовать.
Как выполнить садовые скамейки со спинкой своими руками в стиле этно
Скамейка в стиле рустик и этно замечательно впишется в обстановку двора. С ее помощью можно создать великолепный природный уголок. Чтобы построить подобные конструкции применяется древесина с корой или без нее. При изготовлении лавочек можно использовать разнообразные изогнутые формы. Перед конструированием все детали необходимо ошкурить и обработать. Чтобы создать сидение применяется необрезная доска. Все детали конструкции имеют скругленные формы.

Скамейки в этно стиле великолепно сочетаются с плетеными изгородями. При этом можно соорудить спинку в виде плетения. Ветки должны размещаться плотно. Но зазоры между ними оставлять нужно. Для создания мебели в стиле этно подойдут такие материалы, как камень, дерево, бамбук или даже ротанг.
Вот некоторые популярные варианты дизайна:
- для марокканского стиля можно применить детали с резьбой;

Колоритное изделие с резьбой
- для ландшафтного дизайна в китайском стиле подойдут лавочки из бамбука;

Изделий в китайском стиле, но из дерева
- небольшая мебель используется в японской стилистике;

Конструкция в японском стиле
- мебель в британском стиле предполагает применение солидных пород древесины, а также затейливые узоры.

Спокойный английский стиль
Чертежи скамеек для дачи своими руками: фото и схемы
При выполнении скамьи учитываются индивидуальные потребности, а также определенные параметры. Чтобы создать качественную конструкцию, вам понадобится чертеж со всеми размерами. Важным моментом является расчет количества материалов, который будет зависеть от конечных параметров конструкции. Особым удобством отличается профилированный брус. Чтобы закруглить края, можно применить специальную фрезу.
Садовая скамейка со спинкой своими руками чертежи: двухместные конструкции
Скамейки могут иметь разную вместительность. Чаще всего они рассчитаны на 2-4 человека. Для двухместной конструкции понадобятся бруски и доски. Чтобы соорудить такое изделие понадобится не более одного дня. Прежде чем выполнять раскрой, нужно подобрать правильные чертежи.

Чертеж небольшого изделия
Скамейка для дачи из дерева своими руками: как сделать пошагово
Прежде всего, готовятся доски для сидения. При этом материал нарезается и обрабатывается. В этом деле поможет шлифовальная машинка или фрезер. Можно использовать и наждачку, но при этом уйдет гораздо больше времени. С помощью брусков можно соорудить прочные ножки. Участки, где будут размещены крепежные элементы необходимо отметить.
В качестве крепежных элементов применяются штифты из металла. Для большей прочности можно воспользоваться специальным клеем. Штифты применяются и для надежного крепежа спинки. После выполнения разметки, нужно отмерить расстояния от края.

Простой вариант для дачи
Сборка происходит так:
- бруски кладутся друг на друга;
- все детали крепятся струбцинами;
- делаются отверстия в центре и по краям;
- через проделанные отверстия детали фиксируются шпильками.
Как сделать простую конструкцию посмотрите на видео:
Затем доски сидения крепятся к ножкам с помощью гвоздей. После этого шляпки гвоздей можно замаскировать смесью из мастики и опилок. Обязательно покройте поверхность краской или лакирующим составом.
Садовая скамейка своими руками из подручных материалов: из поддонов
Можно сделать скамейку из поддонов своими руками. Фото интересных вариантов вы можете посмотреть на нашем сайте. Такую мебель можно разместить не только в саду, но и в дачном домике или на веранде. Для монтажных работ вам потребуется три поддона.

Красивая композиция из поддонов
Так происходит сборка:
- поддон делится на две половины. Эти половинки будут применяться для спинки;
- два поддона соединяются вместе с помощью гвоздей;
- затем к ним крепится и спинка;
- сверху кладется матрас подходящих габаритов.
К сведению! Мягкие предметы можно зафиксировать при помощи ремней.
Чертежи садовой скамейки со спинкой из дерева своими руками: вариант-трансформер
Самостоятельно конструируется трансформирующаяся конструкция. Для этого понадобятся доски и бруски.

Вариант подобной конструкции вы можете видеть на этой схеме
Технология изготовления скамейки-трансформера своими руками
Соорудить конструкцию можно, выполняя следующие действия:
- к опорной части крепится 3 доски, из них будет делаться сидение. В каждую доску нужно вставить по 4 самореза;
- при сборке узлов необходимо наносить на эти зоны столярный клей;
- ножки для опоры спинки необходимо запилить с торцевой стороны. Затем ножки нужно соединить парами;
- затем нужно сделать спинку, которая при трансформировании будет перевоплощаться в столешницу.
- доски крепятся так, чтобы остался зазор;
- в опорной доске необходимо сделать 3 отверстия с диаметром 0,8 см.
Вот удобная конструкция трансформера:
Чтобы создать оси вращения нужно выполнить два отверстия на задней ножке. Крепление спинки к основанию производится при помощи болтов.
Садовые качели своими руками из металла. В продаже есть много вариантов готовых устройств, но гораздо увлекательнее изготовить их самостоятельно. Чертежи, размеры и фото различных конструкций, описанные в статье, помогут справиться этой задачей.
Интересные идеи садовых скамеек своими руками: удачные самоделки, фото
Не стоит ограничиваться простыми конструкциями. Вы можете использовать и нестандартные решения. Вот некоторые идеи вы можете посмотреть на видео ниже:
Оригинальные изделия вы можете соорудить с помощью таких частей, как обрезки бревен, декоративная ковка и поддоны. При создании красивых скамеек можно использовать самые разнообразные материалы.

Конструкция из веток и бревен
Древесину стоит использовать новичкам, так как этот материал легко поддается обработке. Простые конструкции вы можете выполнить из толстых веток, колоды дерева или необрезных досок. Чтобы получить эстетичную поверхность, ее нужно обработать качественным лаком и морилкой. Из стальных полос делаются красивые лавочки. Подлокотники можно легко согнуть.







Используя простые рекомендации, вы сможете найти подходящий вариант и для своего сада. Особое внимание уделите материалам изготовления и необычным конструкциям. Вы можете применять чертежи и технологии из интернета или разработать свои изделия. Надеемся, что информация в нашем обзоре окажется для вас полезной.
Понравилась статья?Сохраните, чтобы не потерять!
Уютные красивые садовые скамейки — место отдыха, раздумий и дружеских бесед. Постройка скамейки в саду — дело важное и неизбежное. Ведь место нашего отдыха заслуживает обстоятельного и творческого подхода. Поэтому мы подобрали для вас чертежи и фотографии самых красивых и оригинальных садовых скамеек.

Мы расскажем базовые принципы как сделать скамейку своими руками, на основе которых вы сможете создать свою красивую скамейку для дачи.

Красивая садовая скамейка подразумевает не столько собственную оригинальную конструкцию, сколько гармоничное сочетание со всеми элементами ландшафтного дизайна.

Вне зависимости, находится ли ваша скамейка в глубине сада, или на замощенной площадке около дома или забора, разместить небольшой цветник рядом со скамейкой — всегда правильное решение.

Эта скамейка имеет привлекательный внешний вид и может легко уместить трех-четырех человек. Кроме того, ее можно переносить с места на место. Отличный вариант, если вы до сих пор не определились, где именно в саду вы хотите разместить скамейку.

Сделать такую скамейку сравнительно несложно.

Сначала собираются опоры. Для сборки следует использовать саморезы.

На нижнюю часть опоры крепится дополнительная планка. Она не просто делает скамейку выше — она приподнимает опоры над землей, предохраняя их воздействия влажной почвы. А если она сама испортится, то ее можно легко заменить.

Далее следует собрать верх, который состоит из двух досок. Их желательно скрепить между собой для большей прочности.

Когда опоры и верх готовы, можно приступать к сборке.

Верх нужно крепить к опорам снизу, чтобы скрыть крепеж. Так будет выглядеть намного аккуратнее.

Вот и все. Скамейка готова, осталось только покрасить.

А вот пример более простой, но не менее элегантной скамейки, которую очень легко сделать своими руками.

Нужно просто собрать вот такую элементарную раму.

Прикрутить к ней три доски.

И прикрепить ножки.

Брус, используемый для постройки этой скамейки довольно тонкий, поэтому отверстия для крепежа лучше просверлить заранее, чтобы саморезы не раскололи дерево.

Вот так несложно делается эта симпатичная скамейка!

Если вы испытываете желание сделать что-то действительно уникальное и не похожее ни на что, то вот несколько идей, которые могут вас вдохновить на создание своей собственной конструкции.

Скамейка из камней? Ну а почему бы и нет? Проволочный каркас не дает камням рассыпаться, а подушки обеспечивают комфорт для сидящих. Если поэкспериментировать с камнями разных цветов и размеров, то может получиться своя совершенно уникальная композиция.

Это — простая деревянная скамейка. Неординарный внешний вид ей незамысловатый садовый декор на задней стене дома. Не факт, что очень презентабельно, но уж точно не скучно!

Эта красивая садовая скамейка выделяется своими оригинальным подходом к использованию спилов деревьев.

Простота формы и неординарность конструкции делают эту скамейку для дачи очень привлекательной.

Благодаря удачному сочетанию рельефа и простой конструкции этой садовой скамейки небольшой уголок сада приобрел не только очарование, но и большую практичность.

Надеемся, наша подборка убедила вас, что садовые скамейки могут и должны быть интересными и красивыми. А чертежи и фото вдохновили вас на то, чтобы сделать такую скамейку самостоятельно.


Простая скамейка: чертежи, размеры, фото. Как сделать простую скамейку своими руками, пошаговое изготовление скамейки с фото.
В прошлой статье мы уже подробно рассматривали изготовление деревянной скамейки из досок, на этот раз мы также займёмся изготовлением скамейки со спинкой, но конструкция этой скамейки будет немного проще.
Лавочка достаточно проста в изготовлении, сделать её не составит большого труда.
Материалы для изготовления скамейки:
- Доски.
- Саморезы по дереву.
- Столярный клей.
- Наждачная бумага.
- Прозрачный лак.
Инструменты для изготовления скамейки:
- Ножовка по дереву.
- Дрель со сверлом диаметром 2 мм.
- Шуруповёрт или фигурная отвёртка.
- Две струбцины.
- Угольник, рулетка, карандаш.
На рисунке предоставлены чертежи с размерами деталей скамейки.

Схема сборки скамейки.
Итак, приступим к изготовлению самой простой скамейки, все детали крепятся с помощью саморезов. Чтобы соединения были более прочными, и в них не попадала лишняя влага, можно дополнительно места соединений посадить на столярный клей, а потом уже крепить их на саморезы.
Чтобы скрыть шляпки саморезов вкручивать их будем с внутренней стороны скамейки, для этого в местах соединений сначала сверлим отверстия диаметром меньше толщины самореза, а уже потом вкручиваем саморезы.
Из досок отпиливаем все части для скамейки согласно, чертежей, размеры скамейки можно изменить по своему усмотрению.
Изготовим из ножек две боковины для скамейки. Стрелками показаны места вкручивания саморезов для крепления планок сидения и спинки.

К боковинам крепим опоры для спинки скамейки.

Соединяем две опоры поперечиной.

Устанавливаем планки для сидения скамейки. Чтобы скрыть шляпки саморезов, вкручиваем их с обратной стороны, сквозь боковую опору в планку сидения.


Таким же способом собираем спинку для скамейки, крепим планки к опорам спинки, саморезы вкручиваем наискосок сначала в опоры потом в планки сидения.




Вставляем саморез в отверстие и вкручиваем шуруповёртом. Чтобы временно зафиксировать детали воспользуемся струбцинами.


Простая скамейка готова, чтобы защитить древесину от гниения вскроем её прозрачным лаком.

Популярные самоделки из этой рубрики
Как сплести гамак из верёвки.
Опоры для растений своими руками.
Как сделать табурет чертёж
Как сделать деревянную скамейку.
Стойка для цветов своими руками: фото изготовления.
